Главная страница » Все товары » Редукторы » Червячные редукторы » Редуктор Ч-125-80 червячный одноступенчатый



















Редуктор червячный Ч, 1Ч, 2Ч: Идеальное решение для вашего промышленного оборудования
Червячный редуктор Ч-125-80 представляют собой передовое решение для изменения крутящего момента и управления скоростью в различных промышленных приложениях. Эти устройства характеризуются высокой точностью и надежностью, обеспечивая эффективную работу механизмов при сниженной нагрузке на двигатель.
Основные преимущества:
- Повышенная эффективность: Червячные редукторы оптимизируют процессы передачи мощности, значительно уменьшая энергопотребление.
- Улучшенная долговечность: Применение износостойких материалов гарантирует длительный срок службы даже при высоких эксплуатационных нагрузках.
- Универсальность использования: Благодаря различным размерам и конфигурациям, редукторы подходят для широкого спектра машин и механизмов.
Габаритные и присоединительные размеры, мм

| Редуктор | Aw | B | B 1 | B 2 | B 3 | H | H 1 | H 2 | L | L 1 | L 2 | L 3 | d |
| Ч-100 | 100 | 194 | 175 | 140 | 225 | 312 | 100 | 18 | 373 | 240 | 200 | 225 | 19 |
| Ч-125 | 125 | 243 | 230 | 190 | 230 | 396 | 111 | 22 | 437 | 275 | 230 | 261 | 19 |
| Ч-160 | 160 | 282 | 280 | 230 | 280 | 500 | 140 | 30 | 551 | 350 | 300 | 345 | 22 |
Технические характеристики редуктора Ч-125
| Номинальное передаточное число | Ч-125 | |
| Номинальный крутящий момент на выходном валу, Н.м | КПД | |
| 8 | 850 | 0,93 |
| 10 | 825 | 0,92 |
| 12,5 | 825 | 0,91 |
| 16 | 900 | 0,88 |
| 20 | 825 | 0,87 |
| 25 | 775 | 0,85 |
| 31,5 | 1000 | 0,80 |
| 40 | 850 | 0,78 |
| 50 | 800 | 0,75 |
| 63 | 750 | 0,72 |
| 80 | 650 | 0,66 |
| Масса,кг | 88 | |
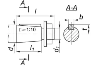
Присоединительные размеры быстроходного вала редуктора Ч-125

| Редуктор | d | d1 | l | l1 | b | t |
| Ч-100 | 32 | M20*1,5 | 80 | 58 | 6 | 17,05 |
| Ч-125 | 32 | М20*1,5 | 80 | 58 | 6 | 17,05 |
| Ч-160 | 40 | М24*2,0 | 110 | 82 | 10 | 20,95 |
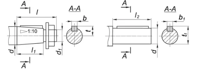
Присоединительные размеры тихоходного вала редуктора Ч-125

| Редуктор | d | d1 | l | l1 | l2 | b | t | b1 | t1 |
| Ч-100 | 45 | M30*2,0 | 110 | 82 | 90 | 12 | 23,45 | 14 | 48,5 |
| Ч-125 | 55 | М36*3,0 | 110 | 82 | 110 | 14 | 28,95 | 16 | 59 |
| Ч-160 | 70 | М48*3,0 | 140 | 105 | 140 | 18 | 36,375 | 20 | 74,5 |
Присоединительные размеры полых валов редуктора Ч-125

| Редуктор | d | d1 | l | l1 | b | t | D*m*H8 |
| Ч-100 | 46 | 35 | 205 | 90 | 10 | 38.3 | 45*2,0*H8 |
| Ч-125 | 60 | 40 | 230 | 110 | 12 | 43,3 | 55*2,5*H8 |
| Ч-160 | 72 | 60 | 275 | 130 | 18 | 64,4 | 70*2,5*H8 |
Вариант сборки редуктора Ч

Условное обозначения редуктора Ч при заказе:
Редуктор Ч-125-80-51-1-У3, где:
Ч - тип редуктора;
125 - межосевое расстояние тихоходной ступени;
80 - номинальное передаточное число;
51 - вариант сборки;
1 - вариант расположения червячной пари;
У3 - климатическое исполнение;
Примеры использования:
- Пищевая промышленность: Управление скоростью миксеров и дозаторов.
- Текстильная промышленность: Регулировка скорости текстильных машин.
- Машиностроение: Предоставление точного контроля для сборочных линий.
Рекомендации по эксплуатации:
Для обеспечения долгой и безаварийной работы редукторов рекомендуется регулярное техническое обслуживание, включая проверку уровня смазки и состояние износа компонентов.
Гарантия и поддержка:
На все редукторы Ч, 1Ч, 2Ч предоставляется расширенная гарантия, а также доступны полный спектр технической поддержки и послепродажного обслуживания.
Как заказать:
Для заказа редукторов Ч, 1Ч, 2Ч посетите наш веб-сайт или свяжитесь с нашим отделом продаж. Мы поможем подобрать идеальное решение, учитывая ваши технические требования и условия эксплуатации.
Также у нас ВЫ можете получить информацию по подбору и спецификации других видов редукторов, таких как: 1Ц2У, Ц2У, Ц2У-Н, ЦУ, 1ЦУ, Ц3У, Ц2Н, РМ, РЦД, ЦТНД, ЦЗУ, РК, ГПШ, ЦДН, ЦДНД, КЦ1, КЦ2, 1МЦ2С, МР1 ,МР2, МР3, МПО, В, ВК, ВКУ, УЗВК, А, Ч, 2Ч, NMRV, Ч2, ЧГ, РЧП, РЧН, РГП, РГС, РГ, РГСП, 3МП, 4МП, 5МП с доставкой по всей Украине: Харьков, Лозовая, Изюм, Чугуев, Балаклея, Черкассы, Первомайский, Мерефа, Купянск, Валки, Винница, Жмеринка, Козятин, Хмельник, Луцк, Нововолынск, Ковель, Каменка-Бугская, Рожище, Днепр, Кривой Рог, Никополь, Павлоград, Кринички, Житомир, Бердичев, Коростень, Малин, Новоград-Волынский, Ужгород, Мукачево, Хуст, Берегово, Виноградов, Запорожье, Ивано-Франковск, Коломыя, Долина, Калуш, Галич, Киев, Борисполь, Бровары, Фастов, Белая Церковь, Кропивницкий, Светловодск, Александрия, Знаменка, Львов, Дрогобыч, Стрый, Жовква, Новояворовск, Николаев, Первомайск, Вознесенск, Южноукраинск, Новая Одесса, Одесса, Южный, Измаил, Белгород-Днестровский, Полтава, Кременчуг, Миргород, Гадяч, Кобеляки, Ровно, Дубно, Костополь, Здолбунов, Острог, Сумы, Конотоп, Шостка, Ромны, Ахтырка, Тернополь, Чертков, Кременец, Бережаны, Збараж, Хмельницкий, Каменец-Подольский, Шепетовка, Славута, Ярмолинцы, Чернигов, Нежин, Прилуки, Бахмач, Новгород-Северский, Черновцы, Новоселица, Вашковцы, Сокиряны, Заставна, Ивано-Франковск.