Главная страница » Все товары » Редукторы » Цилиндрические горизонтальные редукторы » Редуктор Ц2-350-25 двухступенчатый крановый цилиндрический













19350,00 ₴
Редуктор цилиндрический Ц2-400-25 – это крановый двухступенчатый редуктор, используется при повторно-кратковременных режимах работы. Основная сфера применения это приводы грузоподъемных кранов. Данный тип редуктора изготавливается с раздвоенным шевронным зацеплением на первой ступени, такая конструкция повышает плавность хода и значительно увеличивает срок службы. Эти редукторы являются незаменимыми в сферах, где требуется надежная и долговечная передача мощности.
Преимущества:
- Эффективность и надежность: Благодаря современным технологиям производства и использованию высококачественных материалов, редукторы Ц2 гарантируют превосходную производительность и долгий срок службы.
- Универсальность: Широкий спектр модификаций позволяет использовать их в разнообразных условиях и для множества задач.
- Простота обслуживания: Конструкция редукторов обеспечивает легкий доступ к основным компонентам, что упрощает их техническое обслуживание.
Габаритные и присоединительные размеры, мм

| Типоразмер редуктора | АC | АБ | АT | А1 | В | В1 | Н | Н1 | h | L | L1 | L2 | L3 | L4 | d | n | Масса |
| мм | шт | кг | |||||||||||||||
| Ц2-400 | 400 | 150 | 250 | 250 | 380 | 320 | 505 | 265 | 27 | 805 | 640 | 375 | 325 | 286 | 33 | 6 | 315 |
Технические характеристики Ц2-400
| Типоразмер редуктора | Передаточное отношение | Частота вращения входного вала, мин-1 | Номинальный крутящий момент на выходном валу, Н·м |
| Ц2-400 | 8; 10; 12,5; 16; 20; 25; 31,5; 40; 50 | от 1500 до 600 | 3350 |
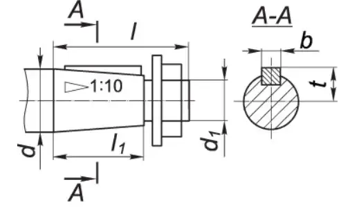
Присоединительные размеры конических валов редукторов Ц2.

| Редуктор | быстроходный вал | тихоходный вал | ||||||||||
| d | d1 | l | l1 | b | t | d | d1 | l | l1 | b | t | |
| Ц2-250 | 30 | M20*1.5 | 80 | 58 | 5 | 15.55 | 65 | M42*3.0 | 140 | 105 | 16 | 33.88 |
| Ц2-300 | 35 | M20*1.5 | 80 | 58 | 6 | 18.55 | 75 | M48*3.0 | 140 | 105 | 18 | 38.88 |
| Ц2-350 | 40 | M24*2.0 | 110 | 82 | 10 | 20.9 | 85 | M56*4.0 | 170 | 130 | 20 | 43.75 |
| Ц2-400 | 50 | M36*3.0 | 110 | 82 | 12 | 25.95 | 95 | M64*4.0 | 170 | 130 | 22 | 48.75 |
| Ц2-500 | 60 | M42*3.0 | 140 | 105 | 16 | 31.38 | 110 | M80*4.0 | 210 | 165 | 25 | 55.88 |
| Ц2-650 | 70 | M48*3.0 | 140 | 105 | 18 | 36.38 | 140 | M100*4.0 | 250 | 200 | 32 | 72 |
| Ц2-750 | 80 | M56*4.0 | 170 | 130 | 20 | 41.25 | 170 | M125*4.0 | 300 | 240 | 40 | 88 |
| Ц2-1000 | 100 | M72*4.0 | 210 | 165 | 25 | 50.88 | 220 | M140*4.0 | 350 | 280 | 50 | 114 |
Присоединительные размеры цилиндрических валов редукторов Ц2.

| Редуктор | тихоходный вал | ||||||||
| d | d1 | d2 | l | l1 | b | t | n | L | |
| Ц2-250 | 65r6 | 32 | М10 | 105 | 20 | 18 | 71 | 2 | 255 |
| Ц2-300 | 75r6 | 50 | М12 | 105 | 22 | 20 | 82 | 2 | 280 |
| Ц2-350 | 85r6 | 50 | М12 | 130 | 22 | 22 | 93 | 2 | 320 |
| Ц2-400 | 95r6 | 50 | М12 | 130 | 22 | 25 | 104 | 2 | 350 |
| Ц2-500 | 110s6 | 80 | М12 | 165 | 22 | 28 | 120 | 3 | 410 |
| Ц2-650 | 140s6 | 80 | М12 | 200 | 22 | 36 | 152 | 3 | 510 |
| Ц2-750 | 170s6 | 105 | М16 | 240 | 26 | 40 | 184 | 3 | 595 |
| Ц2-1000 | 220s6 | 140 | М20 | 280 | 32 | 50 | 237 | 3 | 745 |
Присоединительные размеры тихоходного вала в виде зубчатой полумуфты редуктора Ц2.

| Редуктор | b | d | d1 | d2 | L | l | l1 | Зацепление | |
| m | z | ||||||||
| Ц2-250 | 20 | 147 | 72F8 | 95 | 198 | 8 | 38 | 3,5 | 40 |
| Ц2-300 | 25 | 210 | 80F8 | 105 | 227 | 9,5 | 50 | 5 | 40 |
| Ц2-350 | 30 | 252 | 110F8 | 140 | 255 | 10 | 60 | 6 | 40 |
| Ц2-400 | 30 | 252 | 110F8 | 140 | 280 | 10 | 60 | 6 | 40 |
| Ц2-500 | 40 | 336 | 150F8 | 215 | 330 | 15 | 65 | 8 | 40 |
| Ц2-650 | 50 | 420 | 160F8 | 230 | 410 | 15 | 70 | 10 | 40 |
| Ц2-750 | 60 | 504 | 200F8 | 290 | 480 | 20 | 90 | 12 | 40 |
| Ц2-1000 | 80 | 672 | 320F8 | 445 | 645 | 25 | 130 | 16 | 40 |
Присоединительные размеры тихоходного полого вала редуктора Ц2.


Условное обозначения редуктора Ц2 при заказе:
Редуктор Ц2-400-25-12-У3, где:
Ц2- тип редуктора;
400 - межосевое расстояние тихоходной ступени;
25 - номинальное передаточное число;
12 - вариант сборки;
У3 - климатическое исполнение;
Технические характеристики:
Области применения редуктора Ц2-400-25-12-У3.
Редукторы цилиндрические Ц2 нашли свое применение в многих отраслях, включая машиностроение, металлургию, химическую промышленность, сельское хозяйство и строительство. Они идеально подходят для использования в транспортерах, лифтах, смесительном оборудовании и других типах промышленной техники.
Примеры использования:
- Привод конвейерных лент в производственных линиях.
- Системы подъема и перемещения на строительных площадках.
- Сельскохозяйственные машины для обработки почвы.
Рекомендации по выбору и эксплуатации:
При выборе редуктора Ц2 учитывайте тип нагрузки, условия эксплуатации и требуемые параметры мощности и скорости. Регулярно проверяйте состояние редуктора, проводите плановые технические осмотры и своевременно заменяйте смазочные материалы.
Гарантии и поддержка:
Мы предоставляем расширенные гарантии на все наши редукторы Ц2, а также полный спектр услуг по техническому обслуживанию и ремонту.
Как заказать:
Для заказа или получения дополнительной информации о редукторах цилиндрических Ц2 посетите наш веб-сайт или свяжитесь с нашим отделом продаж по телефону или электронной почте. Мы поможем вам выбрать наилучшее решение, отвечающее вашим техническим требованиям.
Также у нас ВЫ можете получить информацию по подбору и спецификации других видов редукторов, таких как: 1Ц2У, Ц2У, Ц2У-Н, ЦУ, 1ЦУ, Ц3У, Ц2Н, РМ, РЦД, ЦТНД, ЦЗУ, РК, ГПШ, ЦДН, ЦДНД, КЦ1, КЦ2, 1МЦ2С, МР1 ,МР2, МР3, МПО, В, ВК, ВКУ, УЗВК, А, Ч, 2Ч, NMRV, Ч2, ЧГ, РЧП, РЧН, РГП, РГС, РГ, РГСП, 3МП, 4МП, 5МП с доставкой по всей Украине: Харьков, Лозовая, Изюм, Чугуев, Балаклея, Черкассы, Первомайский, Мерефа, Купянск, Валки, Винница, Жмеринка, Козятин, Хмельник, Луцк, Нововолынск, Ковель, Каменка-Бугская, Рожище, Днепр, Кривой Рог, Никополь, Павлоград, Кринички, Житомир, Бердичев, Коростень, Малин, Новоград-Волынский, Ужгород, Мукачево, Хуст, Берегово, Виноградов, Запорожье, Ивано-Франковск, Коломыя, Долина, Калуш, Галич, Киев, Борисполь, Бровары, Фастов, Белая Церковь, Кропивницкий, Светловодск, Александрия, Знаменка, Львов, Дрогобыч, Стрый, Жовква, Новояворовск, Николаев, Первомайск, Вознесенск, Южноукраинск, Новая Одесса, Одесса, Южный, Измаил, Белгород-Днестровский, Полтава, Кременчуг, Миргород, Гадяч, Кобеляки, Ровно, Дубно, Костополь, Здолбунов, Острог, Сумы, Конотоп, Шостка, Ромны, Ахтырка, Тернополь, Чертков, Кременец, Бережаны, Збараж, Хмельницкий, Каменец-Подольский, Шепетовка, Славута, Ярмолинцы, Чернигов, Нежин, Прилуки, Бахмач, Новгород-Северский, Черновцы, Новоселица, Вашковцы, Сокиряны, Заставна, Ивано-Франковск.