Главная страница » Все товары » Редукторы » Цилиндрические горизонтальные редукторы » Редуктор ЦДН-710-28 двухступенчатый цилиндрический











752000,00 ₴
Редуктор цилиндрический ЦДН-710-28 – это двухступенчатый горизонтальный редуктор с зацеплением Новикова, предназначенный для изменения крутящего момента и скорости вращения в машинах и механизмах различного назначения. Эти редукторы являются незаменимыми в сферах, где требуется надежная и долговечная передача мощности.
Преимущества:
- Эффективность и надежность: Благодаря современным технологиям производства и использованию высококачественных материалов, редукторы ЦДН гарантируют превосходную производительность и долгий срок службы.
- Универсальность: Широкий спектр модификаций позволяет использовать их в разнообразных условиях и для множества задач.
- Простота обслуживания: Конструкция редукторов обеспечивает легкий доступ к основным компонентам, что упрощает их техническое обслуживание.
Габаритные и присоединительные размеры, мм

| Типоразмер редуктора | Аw Т | Аw б | А | А1 | В | Н | H1 | L | L1 | L2 | L3 | L4 | L5 | |
| і=8....25 | і=28....50 | |||||||||||||
| мм | ||||||||||||||
| ЦДН-630 | 630 | 400 | 1770 | 540 | 650 | 1225 | 630 | 1935 | 1920 | 575 | 657 | 610 | 570 | 760 |
| ЦДН-710 | 710 | 500 | 2010 | 600 | 740 | 1390 | 710 | 2175 | 2160 | 660 | 742 | 660 | 620 | 870 |
Технические характеристики ЦДН-710
| Типоразмер редуктора | Передаточное отношение | Частота вращения входного вала, мин-1 | Номинальный крутящий момент на выходном валу, Н·м | Масса, кг |
| ЦДН-630 | 8; 9; 10; 11,2; 12,5; 14; 16; 18; 20; 22,4; 25; 28; 31,5; 35,5; 40; 45; 50; | от 1500 до 600 | 71000 | 3330 |
| ЦДН-710 | 100000 | 4540 |
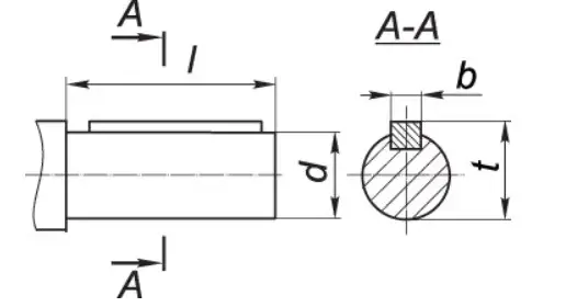
Присоединительные размеры быстроходного вала редуктора ЦДН-710.

| Редуктор | быстроходный вал (цилиндрический) | ||||
| d | l | b | t | ||
| ЦДН-630 | і=8...25 | 110 | 210 | 28 | 116 |
| і=28...50 | 80 | 170 | 22 | 85 | |
| ЦДН-710 | і=8...25 | 125 | 210 | 32 | 132 |
| і=28...50 | 100 | 170 | 28 | 106 | |
Присоединительные размеры тихоходного вала редуктора ЦДН-710.

| Редуктор | тихоходный вал (цилиндрический) | |||
| d | l | b | t | |
| ЦДН-630 | 220 | 350 | 50 | 231 |
| ЦДН-710 | 250 | 410 | 56 | 262 |
Вариант сборки редуктора ЦДН-710

Условное обозначения редуктора ЦДН при заказе:
Редуктор ЦДН-710-28-12-У3, где:
ЦДН - тип редуктора;
710 - межосевое расстояние тихоходной ступени;
28 - номинальное передаточное число;
12 - вариант сборки;
У3 - климатическое исполнение;
Технические характеристики:
Области применения редуктора ЦДН-710-28-21-У3.
Редукторы цилиндрические ЦДН нашли свое применение в многих отраслях, включая машиностроение, металлургию, химическую промышленность, сельское хозяйство и строительство. Они идеально подходят для использования в транспортерах, лифтах, смесительном оборудовании и других типах промышленной техники.
Примеры использования:
- Привод конвейерных лент в производственных линиях.
- Системы подъема и перемещения на строительных площадках.
- Сельскохозяйственные машины для обработки почвы.
Рекомендации по выбору и эксплуатации:
При выборе редуктора ЦДН учитывайте тип нагрузки, условия эксплуатации и требуемые параметры мощности и скорости. Регулярно проверяйте состояние редуктора, проводите плановые технические осмотры и своевременно заменяйте смазочные материалы.
Гарантии и поддержка:
Мы предоставляем расширенные гарантии на все наши редукторы ЦДН, а также полный спектр услуг по техническому обслуживанию и ремонту.
Как заказать:
Для заказа или получения дополнительной информации о редукторах цилиндрических ЦДН посетите наш веб-сайт или свяжитесь с нашим отделом продаж по телефону или электронной почте. Мы поможем вам выбрать наилучшее решение, отвечающее вашим техническим требованиям.
Также у нас ВЫ можете получить информацию по подбору и спецификации других видов редукторов, таких как: 1Ц2У, Ц2У, Ц2У-Н, ЦУ, 1ЦУ, Ц3У, Ц2Н, РМ, РЦД, ЦТНД, ЦЗУ, РК, ГПШ, ЦДН, ЦДНД, КЦ1, КЦ2, 1МЦ2С, МР1 ,МР2, МР3, МПО, В, ВК, ВКУ, УЗВК, А, Ч, 2Ч, NMRV, Ч2, ЧГ, РЧП, РЧН, РГП, РГС, РГ, РГСП, 3МП, 4МП, 5МП с доставкой по всей Украине: Харьков, Лозовая, Изюм, Чугуев, Балаклея, Черкассы, Первомайский, Мерефа, Купянск, Валки, Винница, Жмеринка, Козятин, Хмельник, Луцк, Нововолынск, Ковель, Каменка-Бугская, Рожище, Днепр, Кривой Рог, Никополь, Павлоград, Кринички, Житомир, Бердичев, Коростень, Малин, Новоград-Волынский, Ужгород, Мукачево, Хуст, Берегово, Виноградов, Запорожье, Ивано-Франковск, Коломыя, Долина, Калуш, Галич, Киев, Борисполь, Бровары, Фастов, Белая Церковь, Кропивницкий, Светловодск, Александрия, Знаменка, Львов, Дрогобыч, Стрый, Жовква, Новояворовск, Николаев, Первомайск, Вознесенск, Южноукраинск, Новая Одесса, Одесса, Южный, Измаил, Белгород-Днестровский, Полтава, Кременчуг, Миргород, Гадяч, Кобеляки, Ровно, Дубно, Костополь, Здолбунов, Острог, Сумы, Конотоп, Шостка, Ромны, Ахтырка, Тернополь, Чертков, Кременец, Бережаны, Збараж, Хмельницкий, Каменец-Подольский, Шепетовка, Славута, Ярмолинцы, Чернигов, Нежин, Прилуки, Бахмач, Новгород-Северский, Черновцы, Новоселица, Вашковцы, Сокиряны, Заставна, Ивано-Франковск.