Главная страница » Все товары » Редукторы » Цилиндрические горизонтальные редукторы » Редуктор цилиндрический двухступенчатый 1Ц2У-355Н







37000,00 ₴
ООО "ППА Технология" является поставщиком качественных редукторных механизмов.
Редуктор - это механическое устройство, которое передает и преобразует крутящий момент, имея при этом ординарное или же множественное количество механических передач. Редукторы применяются в различных отраслях хозяйства и используются в различных агрегатах. Главными характеристиками редукторных механизмов выступают: коэффициент полезного действия, количество валов, их угловые скорости, тип ступеней и передач, передаточное отношения и мощность, а также крутящий момент и скорость вращения основного вала. Основной задачей редуктора выступает превращение скорости вращения, в зависимости от наших нужд, в большую или меньшую, изменяя при этом вращающий момент. Так редуктор, превращающий большую скорость вращения в меньшую, называется - демультипликатор. Мультипликатор, в свою очередь, превращает меньшую скорость вращения в большую, понижая при этом вращающийся момент.
В зависимости от принципа действия редукторные механизмы делятся на несколько типов. Основным классификатором выступает тип механических передач. В соответствии с ним редукторные механизмы бывают:
1. Цилиндрические редукторы ЦУ, 1ЦУ, 1Ц2У, 1Ц2Н, 1МЦ2С, РМ состоят из корпуса, в котором помещены рабочие колеса, валы с подшипниками и система их смазки. За принципом действия они демультипликаторы.
Данные типы редукторов есть одними из наиболее популярных в связи со своей простотой устройства и высокими характеристиками. Они применяются в приводах грузовых кранов, в электроприводах техники или стают компонентом моторов-редукторов. Цилиндрические редукторы работают без особых проблем в любых условиях (как беспрерывно, так и с периодическими остановками, при постоянных и переменных нагрузках).
2. Червячные редукторы Ч , 1Ч, 2Ч имеют внутри червячную механическую передачу, в основе которой лежит винт, внешне похож на червяка отсюда и название. Они также являются демультипликаторами и преобразовывают большую скорость вращения в меньшую, увеличивая вращающийся момент. Они могут применяться практически везде, где нужно недорогое решение по снижению частоты вращения и увеличению крутящего момента при отсутствии значительных ударных нагрузок и недлительной работы.
3. Планетарные редукторы 3МП, 4МП названы так в связи с планетарной передачей, имеющейся внутри. Планетарные редукторы используются в различных агрегатах, среди которых, например, грузовые лебедки, электроинструмент, мосты и колеса и прочие. Из за более сложной конструкции данный редуктор менее распространен чем два предыдущие виды.
На все редукторы имеется гарантия, как доказательство их надежности и долговечности.

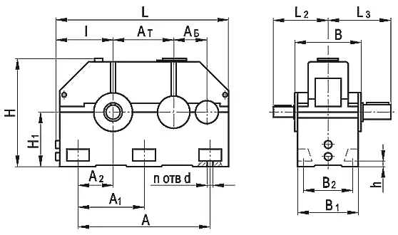
| Типоразмер редуктора | АТ | АБ | L | I | А1 | А2 | L2 | L3 | Н | H1 | А | В | B1 | B2 | d | h | n |
| не более | |||||||||||||||||
| мм | шт. | ||||||||||||||||
| 1Ц2У-355Н | 355 | 225 | 1170 | 405 | 425 | 250 | 320 | 440 | 740 | 375 | 850 | 435 | 360 | 280 | 28 | 35±4 | 6 |
| Типоразмер редуктора | Передаточное отношение | Частота вращения входного вала, мин-1 | Номинальный крутящий момент на выходном валу, Н·м |
| 1Ц2У-355Н | 8; 10; 12,5; 16; 20; 25; 31,5; 40; 50 | от 1500 до 500 | 12500 |