Главная страница » Все товары » Редукторы » Конически-цилиндрические редукторы » Редуктор КЦ2-1000-28 трехступенчатый конически-цилиндрический















411000,00 ₴
Редуктор конически-цилиндрический КЦ2-1000-28 – это высококачественный механизм, предназначенный для изменения крутящего момента и скорости вращения в машинах и механизмах различного назначения. Эти редукторы являются незаменимыми в сферах, где требуется надежная и долговечная передача мощности.
Преимущества:
- Эффективность и надежность: Благодаря современным технологиям производства и использованию высококачественных материалов, редукторы КЦ2 гарантируют превосходную производительность и долгий срок службы.
- Универсальность: Широкий спектр модификаций позволяет использовать их в разнообразных условиях и для множества задач.
- Простота обслуживания: Конструкция редукторов обеспечивает легкий доступ к основным компонентам, что упрощает их техническое обслуживание.
Габаритные и присоединительные размеры, мм

| Типоразмер редуктора | Аw Т | Аw п | А | А1 | В | Н | H1 | h | h1 | L | L1 | L2 | L3 | L4 | d | n |
| мм | шт. | |||||||||||||||
| КЦ-500 | 300 | 200 | 705 | 300 | 350 | 600 | 315 | 25 | - | 1300 | 830 | 90 | 460 | 327 | 22 | 6 |
| КЦ-750 | 450 | 300 | 1120 | 470 | 550 | 765 | 335 | 35 | 130 | 1883 | 1260 | 120 | 625 | 464 | 33 | 10 |
| КЦ-1000 | 600 | 400 | 1530 | 600 | 690 | 956 | 400 | 40 | 200 | 2482 | 1700 | 165 | 848 | 615 | 33 | 10 |
| КЦ-1300 | 800 | 500 | 2020 | 740 | 850 | 1282 | 530 | 50 | 240 | 3178 | 2200 | 220 | 1030 | 790 | 39 | 10 |
Технические характеристики КЦ2-1000
| Типоразмер редуктора | Передаточное отношение | Частота вращения входного вала, мин-1 | Номинальный крутящий момент на выходном валу, Н·м | Масса, кг |
| КЦ2-500 | 28; 45; 71; 112; 180; | от 1500 до 600 | 2300 | 435 |
| КЦ2-750 | 6750 | 1270 | ||
| КЦ2-1000 | 16500 | 2665 | ||
| КЦ2-1300 | 37500 | 5380 |
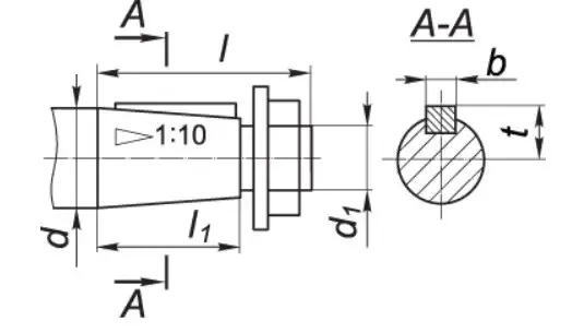
Присоединительные размеры быстроходного вала редуктора КЦ2.

| Редуктор | быстроходный вал (конический) | |||||
| d | d1 | l | l1 | b | t | |
| КЦ2-500 | 40 | M24*2.0 | 110 | 82 | 10 | 20.9 |
| КЦ2-750 | 50 | M36*3.0 | 110 | 82 | 12 | 26 |
| КЦ2-1000 | 60 | M42*3.0 | 140 | 105 | 16 | 31.4 |
| КЦ2-1300 | 90 | M64*4.0 | 170 | 130 | 22 | 46.8 |
Присоединительные размеры тихоходного вала редуктора КЦ2.

| Редуктор | тихоходный вал (цилиндрический) | |||
| d | l | b | t | |
| КЦ2-500 | 70 | 140 | 20 | 74.5 |
| КЦ2-750 | 90 | 170 | 25 | 95 |
| КЦ2-1000 | 130 | 250 | 32 | 137 |
| КЦ2-1300 | 190 | 350 | 45 | 200 |
Присоединительные размеры тихоходного вала в виде зубчатой полумуфты редуктора КЦ2.

| Редуктор | b | d | d1 | L | l | l1 | Зацепление | |
| m | z | |||||||
| КЦ2-500 | 25 | 174 | 110 | 270 | 14 | 55 | 3 | 56 |
| КЦ2-750 | 35 | 232 | 140 | 382 | 14 | 60 | 4 | 56 |
| КЦ2-1000 | 25 | 288 | 180 | 481 | 20 | 75 | 6 | 56 |
| КЦ2-1300 | 40 | 348 | 215 | 605 | 25 | 85 | 16 | 56 |
Вариант сборки редуктора КЦ2-1000

Условное обозначения редуктора КЦ2 при заказе:
Редуктор КЦ2-1000-28-41-У3, где:
КЦ2 - тип редуктора;
1000 - межосевое расстояние тихоходной ступени;
28 - номинальное передаточное число;
41 - вариант сборки;
У3 - климатическое исполнение;
Технические характеристики:
Области применения редуктора КЦ2-1000-28-42-У3.
Редукторы конически-цилиндрические КЦ2 нашли свое применение в многих отраслях, включая машиностроение, металлургию, химическую промышленность, сельское хозяйство и строительство. Они идеально подходят для использования в транспортерах, лифтах, смесительном оборудовании и других типах промышленной техники.
Примеры использования:
- Привод конвейерных лент в производственных линиях.
- Системы подъема и перемещения на строительных площадках.
- Сельскохозяйственные машины для обработки почвы.
Рекомендации по выбору и эксплуатации:
При выборе редуктора КЦ2 учитывайте тип нагрузки, условия эксплуатации и требуемые параметры мощности и скорости. Регулярно проверяйте состояние редуктора, проводите плановые технические осмотры и своевременно заменяйте смазочные материалы.
Гарантии и поддержка:
Мы предоставляем расширенные гарантии на все наши редукторы КЦ2, а также полный спектр услуг по техническому обслуживанию и ремонту.
Как заказать:
Для заказа или получения дополнительной информации о редукторах цилиндрических КЦ2 посетите наш веб-сайт или свяжитесь с нашим отделом продаж по телефону или электронной почте. Мы поможем вам выбрать наилучшее решение, отвечающее вашим техническим требованиям.
Также у нас ВЫ можете получить информацию по подбору и спецификации других видов редукторов, таких как: 1Ц2У, Ц2У, Ц2У-Н, ЦУ, 1ЦУ, Ц3У, Ц2Н, РМ, РЦД, ЦТНД, ЦЗУ, РК, ГПШ, ЦДН, ЦДНД, КЦ1, КЦ2, 1МЦ2С, МР1 ,МР2, МР3, МПО, В, ВК, ВКУ, УЗВК, А, Ч, 2Ч, NMRV, Ч2, ЧГ, РЧП, РЧН, РГП, РГС, РГ, РГСП, 3МП, 4МП, 5МП с доставкой по всей Украине: Харьков, Лозовая, Изюм, Чугуев, Балаклея, Черкассы, Первомайский, Мерефа, Купянск, Валки, Винница, Жмеринка, Козятин, Хмельник, Луцк, Нововолынск, Ковель, Каменка-Бугская, Рожище, Днепр, Кривой Рог, Никополь, Павлоград, Кринички, Житомир, Бердичев, Коростень, Малин, Новоград-Волынский, Ужгород, Мукачево, Хуст, Берегово, Виноградов, Запорожье, Ивано-Франковск, Коломыя, Долина, Калуш, Галич, Киев, Борисполь, Бровары, Фастов, Белая Церковь, Кропивницкий, Светловодск, Александрия, Знаменка, Львов, Дрогобыч, Стрый, Жовква, Новояворовск, Николаев, Первомайск, Вознесенск, Южноукраинск, Новая Одесса, Одесса, Южный, Измаил, Белгород-Днестровский, Полтава, Кременчуг, Миргород, Гадяч, Кобеляки, Ровно, Дубно, Костополь, Здолбунов, Острог, Сумы, Конотоп, Шостка, Ромны, Ахтырка, Тернополь, Чертков, Кременец, Бережаны, Збараж, Хмельницкий, Каменец-Подольский, Шепетовка, Славута, Ярмолинцы, Чернигов, Нежин, Прилуки, Бахмач, Новгород-Северский, Черновцы, Новоселица, Вашковцы, Сокиряны, Заставна, Ивано-Франковск.