Головна сторінка » Всі товари » Мотор-редуктори » Планетарні мотор-редуктори » МПО1М-10-7,34-3/195 Мотор-редуктор одноступінчатий планетарний, редуктор МПО1М-10-7,34-3/195 планетарний



















23190,00 ₴
Мотор-редуктор планетарний МПО1М-10-7,34-3,0/195 – це вершина інженерної думки в галузі автоматизації та машинобудування. Цей інноваційний продукт об'єднує переваги планетарної передачі з високим крутним моментом та компактністю, роблячи його ідеальним рішенням для найвимогливіших застосування.
Переваги:
- Висока ефективність та надійність: Завдяки унікальній конструкції, мотор-редуктор забезпечує високу ефективність передачі потужності при мінімальних втратах.
- Довговічність: Використання високоякісних матеріалів гарантує тривалий термін служби навіть у екстремальних умовах.
- Універсальність: Широкий діапазон потужностей та крутних моментів робить мотор-редуктор планетарний МПО1М, МПО2М підходящим для багатьох завдань.
Технічна характеристика мотор-редукторів МПО1М-10:
| Типорозмір | Виконання по кріпленню | Номіннальне передаточне число | Номінальна частота обертання вихідного вала, об/хв | Номінальний крутний момент на вихідному валу Н.м. | Допускне радіальне навантаж. на вихідний вал, Н | Вага, кг | Електродвигун | Загальна довжина L,мм | ||
| Редукторна частина | Мотор-редуктор | Тип | Потужнысть, кВт | |||||||
| МПО1М-10-7,34-3/130 | В, ВК, Ф2В, Ф2П | 7,34 | 130 | 215 | 1500 | 45 | 115 | АИР112М6 | 3 | 690 |
| 155 | АИМ112М6 | 815 | ||||||||
| МПО1М-10-7,34-5,5/130 | 395 | 130 | АИР132S6 | 5,5 | 715 | |||||
| 195 | АИМ132S6 | 820 | ||||||||
| МПО1М-10-7,34-7,5/130 | 540 | 150 | АИР132S4 | 7,5 | 765 | |||||
| 205 | АИМ132М6 | 855 | ||||||||
| МПО1М-10-5,74-3/170 | 5,74 | 170 | 165 | 115 | АИР112М6 | 3,0 | 690 | |||
| 155 | АИМ112М6 | 815 | ||||||||
| МПО1М-10-5,74-5,5/170 | 305 | 135 | АИР132S6 | 5,5 | 715 | |||||
| 195 | АИМ132S6 | 820 | ||||||||
| МПО1М-10-5,74-7,5/170 | 415 | 150 | АИР132M6 | 7,5 | 765 | |||||
| 205 | АИМ132M6 | 855 | ||||||||
| МПО1М-10-7,34-3/195 | 145 | 90 | АИР100S4 | 3 | 590 | |||||
| 120 | АИМ100S4 | 740 | ||||||||
| МПО1М-10-7,34-5,5/195 | 7,34 | 195 | 265 | 115 | АИР112М4 | 5,5 | 690 | |||
| 155 | АИМ112М4 | 815 | ||||||||
| МПО1М-10-7,34-7,5/195 | 360 | 130 | АИР132S4 | 7,5 | 715 | |||||
| 195 | АИМ132S4 | 820 | ||||||||
| МПО1М-10-7,34-11/195 | 530 | 150 | АИР132М4 | 11 | 765 | |||||
| 205 | АИМ132М4 | 855 | ||||||||
| МПО1М-10-5,74-3/250 | 5,74 | 250 | 110 | 90 | АИР100S4 | 3 | 590 | |||
| 120 | АИМ100S4 | 740 | ||||||||
| МПО1М-10-5,74-5,5/250 | 205 | 115 | АИР112M4 | 5,5 | 695 | |||||
| 155 | АИМ112M4 | 815 | ||||||||
| МПО1М-10-5,74-7,5/250 | 280 | 135 | АИР132S4 | 7,5 | 715 | |||||
| 195 | АИМ132S4 | 820 | ||||||||
Монтажне виконання мотор-редукторів МПО1М, МПО2М:
ВК - вертикальне з опорним фланцем, вихідним валом вниз та кільцевою канавкою,
Ф-2П - горизонтальне, фланцеве з напівмуфтою,
Ф-2В - горизонтальне, з циліндричним кінцем валу,
Щ - горизонтальне на опорних лапах,
Ф - горизонтальне з опорним фланцем,
В - вертикальне з опорним фланцем, валом-вниз.
Габаритні та приєднувальні розміри мотор-редукторів МПО1М, МПО2М, мм.

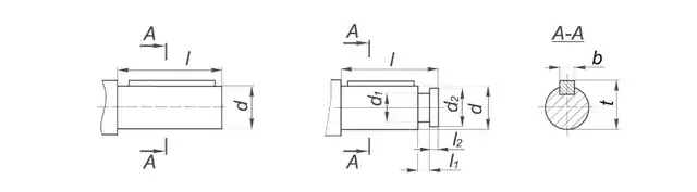
Розміри вихідних валів мотор-редуктора МПО1М, МПО2М, мм.

Позначення | d | d1 | d2 | L | L1 | L2 | b | t |
МПО1М-10 | 40k6 | 32 | 38 | 80 | 5 | 4 | 12 | 43 |
МПО2М-10 | 40k6 | 32 | 38 | 80 | 5 | 4 | 12 | 43 |
МПО2М-15 | 65k6 | 55 | 62 | 140 | 8 | 6 | 18 | 69 |
МПО2М-18 | 80k6 | 70 | 78 | 170 | 10 | 8 | 22 | 85 |
Умовне позначення Мотор-редуктора МПО1М, МПО2М при замовленні:
Редуктор МПО1М-10-ВК-7,34-3,0/195-У3-380-АИР100S4, де:
МПО1М - тип мотор-редуктора;
10 - умовний діаметр водила;
ВК - виконання з монтажу;
7,34 - передавальне число;
3,0 - потужність, кВт;
195 - частота обертання вихідного валу, об/хв;
У3 - кліматичне виконання;
380 - номінальна напруга, В;
АІР100S4- тип електродвигуна.
Технічні характеристики:
Області застосування МПО1М, МПО2М:
Від машинобудування до робототехніки та автоматизації виробничих ліній – мотор-редуктор планетарний МПО1М, МПО2М є вибором №1 для спеціалістів, які прагнуть максимізувати продуктивність та надійність свого обладнання.
Приклади використання:
- Приводи харчових, хімічних,фармакологічних галузях промисловості.
- Автоматизовані робочі станції.
Рекомендації щодо вибору та експлуатації:
Обираючи мотор-редуктор МР, оцініть потрібну потужність та крутний момент, а також умови експлуатації. Регулярне технічне обслуговування забезпечить довговічність та надійність у роботі.
Гарантії та підтримка:
Ми пропонуємо розширену гарантію на наші мотор-редуктори, а також повний спектр післяпродажного обслуговування та технічної підтримки.
Як замовити:
Для замовлення мотор-редуктора планетарного МПО1М-10, МПО2М-10, МПО2М-15, МПО2М-18 відвідайте наш веб-сайт або зв'яжіться з нашим відділом продажів. Ми допоможемо підібрати оптимальну конфігурацію для ваших завдань.
Також у нас Ви можете отримати інформацію щодо підбору та специфікації інших видів редукторів, таких як: 1Ц2У, Ц2У, Ц2У-Н, ЦУ, 1ЦУ, Ц3У, Ц2Н, РМ, РЦД, ЦТНД, ЦЗУ, РК, ГПШ, ЦДН, ЦДНД, КЦ1, КЦ2, 1МЦ2С, МР1, МР2, МР3, МПО, В, ВК, СКУ, УЗВК, А, Ч, 2Ч, NMRV, Ч2, ЧГ, РЧП, РЧН, РГП, РГС, РГ, РГСП, 3МП, 4МП, 5МП з доставкою по всій Україні: Харків, Лозова, Ізюм, Чугуїв, Балаклія, Черкаси, Первомайський, Мерефа, Куп'янськ, Валки, Вінниця, Жмеринка, Козятин, Хмільник, Луцьк, Нововолинськ, Ковель, Кам'янка-Бузька, Рожище, Дніпро, Кривий Ріг, Нікополь, Павлоград, Кринички, Житомир, Бердичів, Коростень, Малин, Новоград-Волинський, Ужгород, Мукачево, Хуст, Берегове, Виноградів, Запоріжжя, Івано-Франківськ, Коломия, Долина, Калуш, Галич, Київ, Бориспіль, Бровари, Фастів, Біла Церква, Кропивницький, Світловодськ, Олександрія, Знам'янка, Львів, Дрогобич, Стрий, Жовква, Новояворівськ, Миколаїв, Первомайськ, Вознесенськ, Южноукраїнськ, Нова Одеса, Одеса, Південний Полтава, Кременчук, Миргород, Гадяч, Кобеляки, Рівне, Дубно, Костопіль, Здолбунів, Острог, Суми, Конотоп, Шостка, Ромни, Охтирка, Тернопіль, Чортків, Кременець, Бережани, Збараж, Хмельницький, Кам'янець-Поділь Ярмолинці, Чернігів, Ніжин, Прилуки, Бахмач, Новгород-Сіверський, Чернівці, Новоселиця, Вашківці, Сокиряни, Заставна, Івано-Франківськ.