Головна сторінка » Всі товари » Редуктори » Циліндричні горизонтальні редуктори » Редуктор 1Ц3У-355-80 циліндричний триступінчатий















73870,00 ₴
Редуктор циліндричний 1Ц3У-355-80 – це високоякісний механізм, призначений для зміни крутного моменту та швидкості обертання в машинах і механізмах різного призначення. Ці редуктори є незамінними в сферах, де потрібна надійна та довговічна передача потужності.
Переваги:
- Ефективність та надійність: Завдяки сучасним технологіям виробництва та використанню високоякісних матеріалів, редуктори Ц3У гарантують відмінну продуктивність та довгий термін служби.
- Універсальність: Широкий спектр модифікацій дозволяє використовувати їх у різноманітних умовах і для багатьох завдань.
- Простота обслуговування: Конструкція редукторів забезпечує легкий доступ до основних компонентів, що спрощує їх технічне обслуговування.
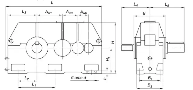
Габаритні та приєднувальні розміри, мм

| Типорозмір редуктора | Аw т | Аw п | Аw б | В | B1 | Н | H1 | h | L | L1 | L2 | L3 | L4 | L5 | d |
| мм | |||||||||||||||
| 1Ц3У-315 | 315 | 200 | 125 | 395 | 260 | 685 | 335 | 35 | 1135 | 415 | 215 | 360 | 270 | 420 | 28 |
| 1Ц3У-355 | 355 | 225 | 140 | 435 | 280 | 740 | 375 | 35 | 1260 | 475 | 250 | 400 | 290 | 440 | 28 |
| 1Ц3У-400 | 400 | 250 | 160 | 475 | 330 | 835 | 425 | 42 | 1415 | 535 | 280 | 450 | 340 | 500 | 35 |
Технічні характеристики Ц3У - 355
| Типорозмір редуктора | Передавальний ставлення | Частота обертання вхідного вала, хв-1 | Номінальний крутний момент на вихідний валу, Н·м | Вага, кг |
| 1Ц3У- 355 | 31,5; 40; 45; 50; 56; 63; 80; 100; 125; 160; 200; | от 1500 до 500 | 14000 | 765 |
Приєднувальні розміри циліндричних валів редукторів 1Ц3У.

| Редуктор | швидкохідний вал | тихохідний вал | ||||||
| d | l | b | t | d | l | b | t | |
| 1Ц3У-315 | 30к6 | 80 | 8 | 33 | 110m6 | 210 | 28 | 116 |
| 1Ц3У-355 | 35к6 | 80 | 10 | 38 | 125m6 | 210 | 32 | 132 |
| 1Ц3У-400 | 40к6 | 110 | 12 | 43 | 140m6 | 250 | 36 | 148 |
Приєднувальні розміри тихохідного валу у вигляді зубчатої напівмуфти 1Ц3У.

| Редуктор | b | d | d1 | d2 | d3 | L | l | l1 | Зачеплення | |
| m | z | |||||||||
| 1Ц3У-315 | 30 | 252 | 130 | 110F8 | 140 | 275 | 10 | 60 | 6 | 40 |
| 1Ц3У-355 | 35 | 249 | 130 | 110F8 | 140 | 310 | 12,5 | 65 | 7 | 40 |
| 1Ц3У-400 | 40 | 336 | 180 | 150F8 | 215 | 335 | 15 | 65 | 8 | 40 |
Варіант збірки редуктора 1Ц3У:

Умовне позначення Редуктора Ц3У (1Ц3У) при замовленні:
Редуктор 1Ц3У-355-80-12-У3, де:
1Ц3У – тип редуктора;
355 - міжосьова відстань;
80 - номінальне передаточне число;
12 – конструктивне розміщення при монтажі;
У3 – кліматичне виконання;
Технічні характеристики:
Сфери застосування редуктора 1Ц3У-355Н-80-12-УЗ.
Циліндричні редуктори 1Ц3У знайшли своє застосування в багатьох галузях, включаючи машинобудування, металургію, хімічну промисловість, сільське господарство та будівництво. Вони ідеально підходять для використання у транспортерах, ліфтах, змішувальному обладнанні та інших типах промислової техніки.
Приклади використання:
- Привід конвеєрних стрічок на виробничих лініях.
- Системи підйому та переміщення на будівельних майданчиках.
- Сільськогосподарські машини для обробки ґрунту.
Рекомендації щодо вибору та експлуатації:
При виборі редуктора 1Ц3У враховуйте тип навантаження, умови експлуатації та потрібні параметри потужності та швидкості. Регулярно перевіряйте стан редуктора, проводьте планові технічні огляди та своєчасно замінюйте змащувальні матеріали.
Гарантії та підтримка:
Ми надаємо розширені гарантії на всі наші редуктори 1Ц3У, а також повний спектр послуг з технічного обслуговування та ремонту.
Як замовити:
Для замовлення або отримання додаткової інформації про циліндричні редуктори 1Ц3У відвідайте наш веб-сайт або зв'яжіться з нашим відділом продажів за телефоном або електронною поштою. Ми допоможемо вам вибрати найкраще рішення, що відповідає вашим технічним вимогам.
Також у нас Ви можете отримати інформацію щодо підбору та специфікації інших видів редукторів, таких як: 1Ц2У, Ц2У, Ц2У-Н, ЦУ, 1ЦУ, Ц3У, Ц2Н, РМ, РЦД, ЦТНД, ЦЗУ, РК, ГПШ, ЦДН, ЦДНД, КЦ1, КЦ2, 1МЦ2С, МР1, МР2, МР3, МПО, В, ВК, СКУ, УЗВК, А, Ч, 2Ч, NMRV, Ч2, ЧГ, РЧП, РЧН, РГП, РГС, РГ, РГСП, 3МП, 4МП, 5МП з доставкою по всій Україні: Харків, Лозова, Ізюм, Чугуїв, Балаклія, Черкаси, Первомайський, Мерефа, Куп'янськ, Валки, Вінниця, Жмеринка, Козятин, Хмільник, Луцьк, Нововолинськ, Ковель, Кам'янка-Бузька, Рожище, Дніпро, Кривий Ріг, Нікополь, Павлоград, Кринички, Житомир, Бердичів, Коростень, Малин, Новоград-Волинський, Ужгород, Мукачево, Хуст, Берегове, Виноградів, Запоріжжя, Івано-Франківськ, Коломия, Долина, Калуш, Галич, Київ, Бориспіль, Бровари, Фастів, Біла Церква, Кропивницький, Світловодськ, Олександрія, Знам'янка, Львів, Дрогобич, Стрий, Жовква, Новояворівськ, Миколаїв, Первомайськ, Вознесенськ, Южноукраїнськ, Нова Одеса, Одеса, Південний Полтава, Кременчук, Миргород, Гадяч, Кобеляки, Рівне, Дубно, Костопіль, Здолбунів, Острог, Суми, Конотоп, Шостка, Ромни, Охтирка, Тернопіль, Чортків, Кременець, Бережани, Збараж, Хмельницький, Кам'янець-Поділь Ярмолинці, Чернігів, Ніжин, Прилуки, Бахмач, Новгород-Сіверський, Чернівці, Новоселиця, Вашківці, Сокиряни, Заставна, Івано-Франківськ.