Головна сторінка » Всі товари » Редуктори » Циліндричні горизонтальні редуктори » Редуктор циліндричний двоступінчатий 1Ц2Н-450-40, Ц2Н-450-40 редуктор

























107650,00 ₴
Редуктор циліндричний 1Ц2Н-450-40 – це високоякісний механізм, призначений для зміни крутного моменту та швидкості обертання в машинах і механізмах різного призначення. Ці редуктори є незамінними в сферах, де потрібна надійна та довговічна передача потужності.
Переваги:
- Ефективність та надійність: Завдяки сучасним технологіям виробництва та використанню високоякісних матеріалів, редуктори Ц2Н гарантують відмінну продуктивність та довгий термін служби.
- Універсальність: Широкий спектр модифікацій дозволяє використовувати їх у різноманітних умовах і для багатьох завдань.
- Простота обслуговування: Конструкція редукторів забезпечує легкий доступ до основних компонентів, що спрощує їх технічне обслуговування.
Габаритні та приєднувальні розміри, мм


| Типорозмір редуктора | АТ | АБ | L | I | А1 | А2 | L2 | L3 | Н | H1 | А | В | B1 | B2 | d | h | n |
| не більш ніж | |||||||||||||||||
| мм | шт. | ||||||||||||||||
| 1Ц2Н-450 | 450 | 280 | 1475 | 500 | 530 | 310 | 500 | 650 | 955 | 475 | 1060 | 630 | 590 | 515 | 35 | 50±5 | 6 |
Технічні характеристики Ц2Н-450
| Типорозмір редуктора | Передавальний ставлення | Частота обертання вхідного вала, хв-1 | Номінальний крутний момент на вихідний валу, Н·м | Вага, кг |
| 1Ц2Н- 450 | 8; 10; 12,5; 16; 20; 25; 31,5; 40; 50; | от 1500 до 500 | 40000 | 1530 |
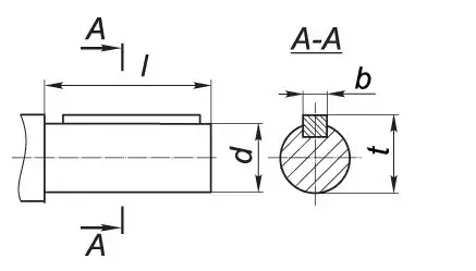
Приєднувальні розміри циліндричних валів редукторів 1Ц2У, 1Ц2Н.

| Редуктор | швидкохідний вал | тихохідний вал | ||||||
| d | l | b | t | d | l | b | t | |
| 1Ц2У-315 | 50k6 | 110 | 14 | 53.5 | 110m6 | 210 | 28 | 116 |
| 1Ц2У-355 | 55m6 | 110 | 16 | 59 | 125m6 | 210 | 32 | 132 |
| 1Ц2У-400 | 60m6 | 140 | 18 | 64 | 140m6 | 250 | 36 | 148 |
| 1Ц2Н-450 | 80m6 | 170 | 22 | 85 | 160m6 | 300 | 40 | 169 |
| 1Ц2Н-500 | 90m6 | 170 | 25 | 95 | 180m6 | 300 | 45 | 190 |
Приєднувальні розміри тихохідного валу у вигляді зубчатої напівмуфти 1Ц2У, 1Ц2Н.

| Редуктор | b | d | d1 | d2 | d3 | L | l | l1 | Зацеплення | |
| m | z | |||||||||
| 1Ц2У-315 | 30 | 252 | 130 | 110F8 | 140 | 275 | 10 | 60 | 6 | 40 |
| 1Ц2У-355 | 35 | 294 | 130 | 110F8 | 140 | 310 | 13 | 65 | 7 | 40 |
| 1Ц2У-400 | 40 | 336 | 180 | 150F8 | 215 | 335 | 15 | 65 | 8 | 40 |
| 1Ц2Н-450 | 50 | 420 | 200 | 160F8 | 230 | 440 | 15 | 70 | 10 | 40 |
| 1Ц2Н-500 | 50 | 420 | 200 | 160F8 | 230 | 470 | 15 | 70 | 10 | 40 |
Приєднувальні розміри тихохідного валу для приєднання приладів управління 1Ц2У, 1Ц2Н.

| Редуктор | b | d | d1 | d2 | d3 | L |
| 1Ц2У-315 | 5 | 110h9 | 75h9 | 55 | M8*20 | 200 |
| 1Ц2У-355 | 5 | 125h9 | 75h9 | 55 | M8*20 | 235 |
| 1Ц2У-400 | 5 | 140h9 | 75h9 | 55 | M8*20 | 240 |
| 1Ц2Н-450 | 5 | 180h9 | 75h9 | 55 | M8*20 | 340 |
| 1Ц2Н-500 | 5 | 190h9 | 75h9 | 55 | M8*20 | 360 |

Умовне позначення Редуктора Ц2У (1Ц2У) при замовленні:
Редуктор 1Ц2Н-450-40-12-У3, де:
1Ц2У – тип редуктора;
450 - міжосьова відстань;
40 - номінальне передаточне число;
12 – конструктивне розміщення при монтажі;
У3 – кліматичне виконання;
Технічні характеристики:
Сфери застосування редуктора 1Ц2У-450-40-12-УЗ.
Циліндричні редуктори 1Ц2У знайшли своє застосування в багатьох галузях, включаючи машинобудування, металургію, хімічну промисловість, сільське господарство та будівництво. Вони ідеально підходять для використання у транспортерах, ліфтах, змішувальному обладнанні та інших типах промислової техніки.
Приклади використання:
- Привід конвеєрних стрічок на виробничих лініях.
- Системи підйому та переміщення на будівельних майданчиках.
- Сільськогосподарські машини для обробки ґрунту.
Рекомендації щодо вибору та експлуатації:
При виборі редуктора Ц2Н враховуйте тип навантаження, умови експлуатації та потрібні параметри потужності та швидкості. Регулярно перевіряйте стан редуктора, проводьте планові технічні огляди та своєчасно замінюйте змащувальні матеріали.
Гарантії та підтримка:
Ми надаємо розширені гарантії на всі наші редуктори Ц2У, а також повний спектр послуг з технічного обслуговування та ремонту.
Як замовити:
Для замовлення або отримання додаткової інформації про циліндричні редуктори Ц2У відвідайте наш веб-сайт або зв'яжіться з нашим відділом продажів за телефоном або електронною поштою. Ми допоможемо вам вибрати найкраще рішення, що відповідає вашим технічним вимогам.
Також у нас Ви можете отримати інформацію щодо підбору та специфікації інших видів редукторів, таких як: 1Ц2У, Ц2У, Ц2У-Н, ЦУ, 1ЦУ, Ц3У, Ц2Н, РМ, РЦД, ЦТНД, ЦЗУ, РК, ГПШ, ЦДН, ЦДНД, КЦ1, КЦ2, 1МЦ2С, МР1, МР2, МР3, МПО, В, ВК, СКУ, УЗВК, А, Ч, 2Ч, NMRV, Ч2, ЧГ, РЧП, РЧН, РГП, РГС, РГ, РГСП, 3МП, 4МП, 5МП з доставкою по всій Україні: Харків, Лозова, Ізюм, Чугуїв, Балаклія, Черкаси, Первомайський, Мерефа, Куп'янськ, Валки, Вінниця, Жмеринка, Козятин, Хмільник, Луцьк, Нововолинськ, Ковель, Кам'янка-Бузька, Рожище, Дніпро, Кривий Ріг, Нікополь, Павлоград, Кринички, Житомир, Бердичів, Коростень, Малин, Новоград-Волинський, Ужгород, Мукачево, Хуст, Берегове, Виноградів, Запоріжжя, Івано-Франківськ, Коломия, Долина, Калуш, Галич, Київ, Бориспіль, Бровари, Фастів, Біла Церква, Кропивницький, Світловодськ, Олександрія, Знам'янка, Львів, Дрогобич, Стрий, Жовква, Новояворівськ, Миколаїв, Первомайськ, Вознесенськ, Южноукраїнськ, Нова Одеса, Одеса, Південний Полтава, Кременчук, Миргород, Гадяч, Кобеляки, Рівне, Дубно, Костопіль, Здолбунів, Острог, Суми, Конотоп, Шостка, Ромни, Охтирка, Тернопіль, Чортків, Кременець, Бережани, Збараж, Хмельницький, Кам'янець-Поділь Ярмолинці, Чернігів, Ніжин, Прилуки, Бахмач, Новгород-Сіверський, Чернівці, Новоселиця, Вашківці, Сокиряни, Заставна, Івано-Франківськ.