Головна сторінка » Всі товари » Редуктори » Циліндричні горизонтальні редуктори » Редуктор РЦД-350-12,5 циліндричний двоступінчатий

















21250,00 ₴
Редуктор РЦД-350-12,5: Високопродуктивне рішення для промислових приводів
Загальний опис:
Редуктор РЦД є високотехнологічним пристроєм для ефективної передачі крутного моменту та зменшення швидкості обертання в машинах і механізмах. Цей редуктор розроблений з використанням передових технологій, що забезпечує його видатну надійність і довговічність навіть у найжорсткіших умовах експлуатації.
Переваги:
Підвищена ефективність: Редуктор РЦД оптимізований для максимальної передачі потужності при мінімальних втратах, що значно підвищує ефективність обладнання.
Універсальність застосування: Завдяки широкому діапазону передавальних чисел і можливості налаштування під специфічні умови роботи, РЦД підходить для різних промислових застосувань.
Низька вартість експлуатації: Продумана конструкція редуктора і застосування високоякісних матеріалів мінімізують необхідність у частому обслуговуванні та ремонті.
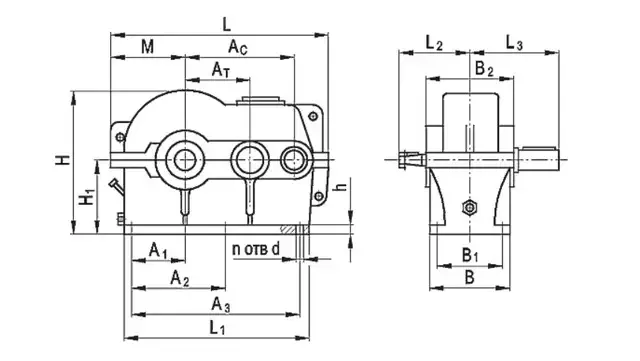
Габаритні та приєднувальні розміри, мм

Редуктор | Aс | Ат | А1 | А2 | А3 | В | В1 | В2 |
| РЦД-250 | 250 | 150 | 115 | 165 | 330 | 250 | 200 | 250 |
| РЦД-350 | 350 | 200 | 164 | 240 | 480 | 320 | 255 | 320 |
| РЦД-400 | 400 | 250 | 190 | 270 | 540 | 360 | 275 | 360 |
продовження таблиці
| Редуктор | Н | Н1 | h | L | L1 | L2 | L3 | M | d | n, шт | Маса, кг |
| РЦД-250 | 315 | 160 | 24 | 520 | 400 | 220 | 230 | 185 | 23 | 6 | 87 |
| РЦД-350 | 410 | 212 | 24 | 700 | 545 | 260 | 290 | 235 | 23 | 6 | 175 |
| РЦД-400 | 510 | 265 | 28 | 800 | 640 | 280 | 335 | 285 | 27 | 6 | 287 |
Технічні характеристики редуктора РЦД-350
| Типорозмір редуктора | Передавальне число | Частота обертання вхідного вала, мин-1 | Номінальний крутний момент на вихідному валу, Н.м |
| РЦД-250 | 10; 12,5; 16; 20; 25; 31,5; 40; | от 1500 до 600 | 431-505 |
| РЦД-350 | 1020-1200 | ||
| РЦД-400 | 1990-2300 |
Приєднувальні розміри валів редуктора, мм.

| Редуктор | d | d1 | d2 | l | l1 | b | t | d3 | d4 | l2 | b1 | t1 |
| РЦД-250 | 30 | 50 | M20*1.5 | 80 | 58 | 5 | 15.55 | 45 | 65 | 85 | 14 | 49,5 |
| РЦД-350 | 35 | 50 | M20*1.5 | 80 | 58 | 6 | 18.55 | 65 | 65 | 102 | 18 | 71 |
| РЦД-400 | 35 | 50 | M20*1.5 | 80 | 58 | 6 | 18.55 | 85 | 90 | 130 | 22 | 93 |
Варіант збірки редуктора РЦД-350

Умовне позначення Редуктора РЦД при замовленні:
Редуктор РЦД-350-12,5-12-У2, де:
РЦД – тип редуктора;
350 - міжосьова відстань;
12,5 - номінальне передаточне число;
12 – конструктивне розміщення при монтажі;
У2 – кліматичне виконання;
Сфери застосування:
Редуктор РЦД-350-12,5 широко використовується в таких секторах, як металургія, гірничодобувна промисловість, енергетика та будівництво, де потрібна надійна і потужна передача рух
Приклади успішного використання:
Енергетична галузь: РЦД застосовується у приводах вітрових турбін для оптимізації їх роботи.
Гірничодобувна промисловість: Редуктори використовуються в обладнанні для переміщення породи, забезпечуючи його безперебійну роботу.
Рекомендації щодо вибору та експлуатації:
При виборі редуктора РЦД важливо враховувати характер навантажень та умови роботи машини. Регулярні огляди та заміна масла допоможуть підтримувати редуктор в оптимальному стані та продовжити його експлуатаційний термін.
Гарантії та підтримка:
Ми надаємо гарантію на редуктори РЦД, а також повний пакет післяпродажних послуг, включаючи технічну підтримку та постачання запасних частин.
Як замовити:
Замовити редуктор РЦД можна через наш веб-сайт або зв'язавшись безпосередньо з відділом продажів. Ми запропонуємо індивідуальні умови покупки та доставки, що відповідають вашим вимогам.
Також у нас Ви можете отримати інформацію щодо підбору та специфікації інших видів редукторів, таких як: 1Ц2У, Ц2У, Ц2У-Н, ЦУ, 1ЦУ, Ц3У, Ц2Н, РМ, РЦД, ЦТНД, ЦЗУ, РК, ГПШ, ЦДН, ЦДНД, КЦ1, КЦ2, 1МЦ2С, МР1, МР2, МР3, МПО, В, ВК, СКУ, УЗВК, А, Ч, 2Ч, NMRV, Ч2, ЧГ, РЧП, РЧН, РГП, РГС, РГ, РГСП, 3МП, 4МП, 5МП з доставкою по всій Україні: Харків, Лозова, Ізюм, Чугуїв, Балаклія, Черкаси, Первомайський, Мерефа, Куп'янськ, Валки, Вінниця, Жмеринка, Козятин, Хмільник, Луцьк, Нововолинськ, Ковель, Кам'янка-Бузька, Рожище, Дніпро, Кривий Ріг, Нікополь, Павлоград, Кринички, Житомир, Бердичів, Коростень, Малин, Новоград-Волинський, Ужгород, Мукачево, Хуст, Берегове, Виноградів, Запоріжжя, Івано-Франківськ, Коломия, Долина, Калуш, Галич, Київ, Бориспіль, Бровари, Фастів, Біла Церква, Кропивницький, Світловодськ, Олександрія, Знам'янка, Львів, Дрогобич, Стрий, Жовква, Новояворівськ, Миколаїв, Первомайськ, Вознесенськ, Южноукраїнськ, Нова Одеса, Одеса, Південний Полтава, Кременчук, Миргород, Гадяч, Кобеляки, Рівне, Дубно, Костопіль, Здолбунів, Острог, Суми, Конотоп, Шостка, Ромни, Охтирка, Тернопіль, Чортків, Кременець, Бережани, Збараж, Хмельницький, Кам'янець-Поділь Ярмолинці, Чернігів, Ніжин, Прилуки, Бахмач, Новгород-Сіверський, Чернівці, Новоселиця, Вашківці, Сокиряни, Заставна, Івано-Франківськ.